поршневая группа 7511.1004005-50 арт. 336 руб
арт. 336 руб
диаметр 130,0 мм
Применяется для двигателей: 236НЕ2, 238БЕ2, 238ДЕ2, 7511.10,7512.10,7513.10 (двигатели с общей головкой)
Производитель: Мотордеталь
В состав комплекта входят следующие позиции:
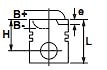
| Гильза 7511.1002021-10 (уплотнительны и стопорные кольца) | ![]() | D=160,0 mm h=9.6 mm d=151.0 mm L=255.0 mm S=79.0 mm |
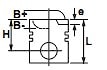
| Поршень 7511.1004015-10 | ![]() | H=85.0 mm L=145.0 mm e1=2.3 e2=2.3 ![]() |
| Кольца поршневые 7511.1004002 | | 3.5 3.0 5.0 |
производитель
Мотордеталь Кострома
Если вы хотите купить поршневая группа 7511.1004005-50 , вы можете:
Позвонить:




